descripción
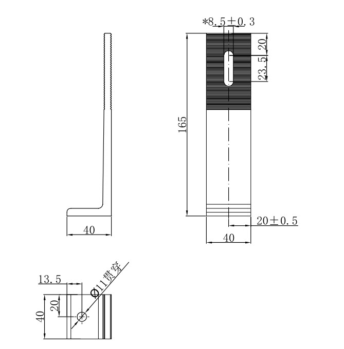
Kensend's El gancho de los pies de tipo l alargado es ampliamente utilizado en Corea y Europa para trapezoidal metal Techo PV PV sistemas de montaje. El aumento Techo de lata solar l gancho Ventaja para la disipación de calor del panel solar, porque El panel solar se mantiene mayor. Trafvezoidal El techo de metal es el tipo de placa corrugada comúnmente utilizada en techos de muchos edificios en Presente. L-pie El esquema es adoptado en trapezoidal Sistema de montaje en el techo de metal , que es conveniente para la instalación y el encendedor en peso total.
características
Perfil Requisitos de Dureza ≥13HW
Después de mecanizar el tratamiento anodizado de la superficie, el espesor de película mínimo ≥10 μm
Extracción de rebabas Limpio, borde afilado, ángulo afilado son contundentes
lados llenos de anodización
Lista de componentes

fecha técnica
I nstall site | TRA PEZOID / en la azotea de metal corrugado |
max w IND velocidad | ≤60m / s |
| carga de nieve | ≤1.4kn / m2 |
| ángulo de inclinación | 0 grado |
| Módulo aplicable | enmarcado o sin marco |
| estándares | AS / NZS 1170, ASCE 7-10, JIS2017 |
| material | AL6005-T5, SUS304 |
| Anti-Corrosivo | anodizado |
| color | plata |
| garantía | 10 años de garantía |
proyectos


Tel : +86-592-3502642
Correo electrónico : info@kinsend.com



































IPv6 red compatible